Глава 7. Электрические измерения и приборы.
Содержание главы:
- 7.1. Системы электроизмерительных приборов непосредственной оценки
- 7.1.1. Магнитоэлектрическая система.
- 7.1.2. Электромагнитная система.
- 7.1.3. Электродинамическая система.
- 7.1.4. Индукционная система.
- 7.2.Погрешности измерений. Номинальные величины и постоянные приборов. Условные обозначения электроизмерительных приборов.
- 7.2.1. Погрешности измерений и электроизмерительных приборов.
- 7.2.2. Номинальные величины приборов.
- 7.2.3. Постоянные приборов.
- 7.2.4. Чувствительность приборов.
- 7.2.5. Условные обозначения электроизмерительных приборов.
- 7.3. Измерение электрических величин.
- 7.3.1 Методы измерений.
- 7.3.2 Измерение тока и напряжения.
- 7.4. Измерение мощности и энергии в цепях переменного тока.
- 7.4.1. Измерение активной мощности в цепях однофазного тока.
- 7.4.2. Измерение активной и реактивной мощностей в цепях трехфазного тока.
- 7.4.3. Измерение электрической энергии в цепях переменного тока.
- 7.5. Электронно—лучевой осциллограф.
- 7.6. Понятие об аналоговых и цифровых приборах.
- 7.6.1. Аналоговые электронные вольтметры.
- 7.6.2. Цифровые измерительные приборы.
В современных условиях контроль за технологическими процессами, потреблением электрической энергии, режимом работы электрооборудования, измерением неэлектрических величин осуществляется с помощью электроизмерительных приборов. Эти приборы измеряют ток, напряжение, мощность, cos(φ), частоту, электрическую энергию и т.д. Различают электроизмерительные приборы непосредственной оценки и приборы сравнения.
7.1. Системы электроизмерительных приборов непосредственной оценки.
Электрические измерения существенно упрощаются при использовании приборов непосредственной оценки (прямого отсчета), показывающих численное значение измеряемой величины по их отсчетному устройству (по положению стрелки на шкале или по цифровому отсчетному устройству). Электроизмерительный прибор этого типа независимо от назначения и принципа действия включает в себя измерительную цепь, измерительный механизм и отсчетное устройство.
Измерительная цепь служит для преобразования измеряемой электрической величины в величину, непосредственно воздействующую на измерительный механизм. Измерительный механизм преобразует электрическую величину в угол поворота подвижной части отсчетного устройства, служащего для визуального представления значений измеряемой величины в зависимости от угла поворота подвижной части.
В простейшем приборе, например в амперметре, катушка его включается последовательно в ветвь электрической цепи, где необходимо измерить ток. В более сложных приборах измерительные цепи содержат кроме катушек конденсаторы, резисторы и т.п.
Измерительный механизм прибора имеет подвижную часть, каждому положению которой соответствует определенное значение измеряемой величины. С подвижной частью связаны стрелка или другое указательное устройство (световой луч, цифровой счетный механизм). Перемещение подвижной части измерительного механизма происходит в результате взаимодействия магнитных (или электрических) полей в приборе. Это взаимодействие создает вращающий момент Mвр, зависящий от значения измеряемой величины.
Для того, чтобы подвижная часть вместе со стрелкой занимала определенное положение, соответствующее значению измеряемой величины, необходимо уравновесить вращающий момент противодействующим моментом Мпр, который зачастую создается механическими элементами (пружинами, растяжками и др.). Значение этого момента пропорционально углу закручивания пружины и при установившемся отклонении. Механические колебания подвижной часть прибора после внезапного нарушения равновесия моментов, вызванного изменением измеряемой величины, гасятся (демпфируются) успокоителями. По принципу действия различают следующие системы электроизмерительных приборов: магнитоэлектрическую, электромагнитную, электродинамическую, индукционную и др.
7.1.1. Магнитоэлектрическая система.
В магнитоэлектрических приборах вращающий момент создается взаимодействием магнитного поля постоянного магнита и измеряемого постоянного тока в катушке механизма. В воздушном зазоре 1 (рис. 7.1) между неподвижным стальным цилиндром 2 и полюсными наконечниками NS неподвижного постоянного магнита расположена алюминиевая рамка с обмоткой 3, состоящей из w витков изолированной проволоки.
(рис. 7.1)
Рамка жестко соединена с двумя полуосями О и О', которые своими концами опираются о подшипники. На полуоси О закреплены указательная стрелка 4 и две спиральные пружинки 5 и 5', через которые к катушке подводится измеряемый ток I, противовесы 6. Полюсные наконечники NS и стальной цилиндр 2 обеспечивают в зазоре 1 равномерное радиальное магнитное поле с индукцией В. В результате взаимодействия магнитного поля с током в проводниках обмоти 3 создается вращающий момент. Рамка с обмоткой при этом поворачивается и стрелка отклоняется на угол a. Электромагнитная сила, действующая на обмотку, равна: Fэм=wBlI.
Вращающий момент, создаваемый силой Fэм:
Mвр = Fэмd = wBlI = C1I1 ,
где d и l— ширина и длина рамки (обмотки); C1 — коэффициент, зависящий от числа витков w, размеров обмотки и магнитной индукции В.
Повороту рамки противодействуют спиральные пружинки 5 и 5', создающие противодействующий момент, пропорциональный углу закручивания α:
Мпр=С2α ,
где С2 — коэффициент, зависящий от жесткости пружинок.
Стрелка устанавливается на определенном делении шкалы при равенстве моментов Мвр=Mпр, т.е. когда С1I=С2α.
Угол поворота стрелки
(7.1)
пропорционален току. Следовательно, у приборов магнитоэлектрической системы шкала равномерная, что является их достоинством.
При изменении направления тока изменяется направление вращающего момента (определяемое правилом левой руки). При включении прибора магнитоэлектрической системы в цепь переменного тока на катушку действуют быстро изменяющиеся по значению и направлению механические силы, среднее значение которых равно нулю. В результате стрелка прибора не будет отклоняться от нулевого положения. Поэтому эти приборы нельзя применять непосредственно для измерений в цепях переменного тока.
Успокоение (демпфирование) стрелки в приборах магнитоэлектрической системы происходит благодаря тому, что при перемещении алюминиевой рамки в магнитном поле постоянного магнита NS в ней индуктируются вихревые токи. В результате взаимодействия этих токов с магнитным полем возникает момент, действующий на рамку в направлении, противоположном ее перемещению, вызывая быстрое успокоению колебаний рамки.
Достоинствами приборов магнитоэлектрической системы являются: точность показаний, малая чувствительность к посторонним магнитным полям, равномерность шкалы, незначительное собственное потребление мощности. К недостаткам следует отнести необходимость применения специальных преобразователей при измерении в цепях переменного тока и чувствительность к перегрузкам.
7.1.2. Электромагнитная система.
Принцип действия электромагнитных приборов основан на втягивании стального сердечника в неподвижную обмотку с током. Неподвижный элемент прибора — обмотка 1, выполненная из изолированной проволоки, включается в электрическую цепь (рис. 7.2). Подвижный элемент — стальной сердечник 2, имеющий форму лепестка,— эксцентрично укреплен на оси О. С этой же осью жестко соединены указательная стрелка 3, спиральная пружинка 4, обеспечивающая противодействующий момент, и поршень 5 успокоителя. Ток I в витках обмотки 1 образует магнитный поток, сердечник 2 намагничивается и втягивается в обмотку. При этом ось О поворачивается и стрелка прибора отклоняется на угол a.
(рис. 7.2)
Магнитная индукция В в сердечнике (при отсутствии насыщения) пропорциональна току обмотки. Сила F, с которой сердечник втягивается в обмотку, зависит от тока и магнитной индукции В в сердечнике. Приближенно можно принять, что сила F, а следовательно, и обусловленный ею вращающий момент пропорциональны квадрату тока в катушке: Мвр=СI2.
Противодействующий момент, уравновешивающий вращающий момент, пропорционален углу a. В связи с этим угол отклонения стрелки находится в квадратичной зависимости от тока; шкала прибора оказывается неравномерной.
Для успокоения подвижной части прибора обычно применяют воздушный демпфер. Он состоит из цилиндра 6 и поршня 5, шток которого укреплен на оси О. Сопротивление воздуха, оказываемое перемещению поршня в цилиндре, обеспечивает быстрое успокоение стрелки. Для ослабления влияния посторонних магнитных полей в некоторых приборах на оси подвижной части (рис. 7.3) укреплены два одинаковых сердечника, каждый из которых размещен в магнитном поле соответствующей обмотки (1 и 2), которые включены между собой последовательно.
(рис. 7.3)
Направление намотки обмоток выполнено так, что их магнитные поля Ф1 и Ф2 направлены в противоположные стороны. Моменты, созданные магнитными полями каждой обмотки, действуют на ось согласно Mвр1 + Mвр2 = Mвр. Постороннее магнитное поле Фвн ослабляет поток Ф1, но усиливает поток Ф2. В результате общий вращающий момент Мвр остается неизменным и зависит от измеряемого тока I. Приборы такой конструкции называются астатическими. Для уменьшения погрешности измерений, вносимой посторонними магнитными полями, некоторые приборы экранируют, помещая их в стальные корпуса.
Достоинства приборов электромагнитной системы: простота конструкции, пригодность для измерения в цепях постоянного и переменного тока, надежность в эксплуатации. К недостаткам относятся неравномерность шкалы, влияние посторонних магнитных полей на точность показаний. Последнее обусловлено тем, что магнитное поле обмотки расположено в воздушной среде и поэтому его магнитная индукция невелика.
7.1.3. Электродинамическая система.
Приборы этой системы (рис. 7.4,а) состоят из двух обмоток: неподвижной 1 и подвижной 2. Подвижная обмотка укреплена на оси OO' и расположена внутри неподвижной обмотки. На оси OO' подвижной обмотки укреплены указательная стрелка 3 и спиральные пружинки 4 и 4', через которые подводится ток к обмотке 2. Эти же пружинки создают противодействующий момент Мпр, пропорциональный углу закручивания a. Принцип действия прибора (рис. 7.4,б) основан на взаимодействии тока I2 подвижной обмотки с магнитным потоком Ф1, неподвижной обмотки.
(рис. 7.4)
При постоянном токе электромагнитная сила Fэм, действующая на проводники подвижной обмотки, пропорциональна току и магнитному потоку Ф1. Поскольку поток Ф1 пропорционален току I1 неподвижной обмотки, вращающий момент, действующий на подвижную обмотку, пропорционален произведению токов обмоток: Мвр= С' Ф1I2 = С"I1I2 , где С' и С" — коэффициенты пропорциональности.
При переменном токе вращающий момент пропорционален произведению мгновенных значений токов:
i1 = I1msin(ωt) и i2 = I2msin(ωt + ψ).
Показание прибора в этом случае определяется средним за период значением вращающего момента:
.
Здесь С — коэффициент, зависящий от числа витков, геометрических размеров и расположения катушек; I1 и I2 — действующие значения токов в обмотках; ψ— угол сдвига фаз между векторами токов I1 и I2.
При равенстве моментов (Mвр = Мпр) подвижная обмотка отклоняется на угол α и стрелка указывает на шкале числовое значение измеряемой электрической величины. Для успокоения подвижной части прибора используют воздушные демпферы. Электродинамические приборы применяют для измерения мощности, тока и напряжения в цепях переменного тока.
Приборы электродинамической системы обладают высокой точностью (обусловленной отсутствием ферромагнитных сердечников) и могут быть использованы для измерения электрических величин в цепях постоянного и переменного тока. Недостатками приборов являются чувствительность к перегрузкам и влияние посторонних магнитных полей на точность измерений. Приборы этой системы используются в качестве амперметров, вольтметров, и ваттметров.
7.1.4. Индукционная система.
Принцип действия индукционных приборов поясним на упрощенной схеме устройства однофазного счетчика переменного тока (рис. 7.5,а—в).
(рис. 7.5)
Основными элементами прибора являются: трехстержневой электромагнит 1 с обмоткой 2, имеющей большое число витков из тонкой проволоки; П-образный электромагнит 3 с обмоткой 4, имеющей небольшое число витков из толстой проволоки; алюминиевый диск 5, который может вращаться вокруг оси 6. Обмотка 2 включается параллельно измеряемой цепи, а обмотка 4 — последовательно с этой цепью. Ток I1 в катушке 4 образует магнитный поток Ф1 который дважды пересекает алюминиевый диск 5. Ток I2 в обмотке 2 создает магнитный поток, часть которого Ф2 также пронизывает диск 5 (поток Ф2 замыкается по стальной скобе 7).
Ток I1 и напряжение U сдвинуты по фазе на угол φ, значение которого определяется характером нагрузки, присоединенной к линии Л. Ток I2 благодаря большой индуктивности обмотки 2 отстает по фазе от напряжения U на угол, близкий к 90°. Магнитные потоки Ф1 и Ф2 совпадают по фазе с вызвавшими их токами I1 и I2 (рис.7.5, г). Поток Ф1 пропорционален току нагрузки I1, а поток Ф2 — напряжению сети. Переменные потоки Ф1, и Ф2 индуктируют в алюминиевом диске ЭДС E1 и Е2, отстающие по фазе от этих потоков на 90°. ЭДС E1 и E2 вызывают в диске токи IД1, и IД2 которые можно считать совпадающими по фазе с вызвавшими их ЭДС. Примерная картина распределения токов в диске показана на рис.7.5,б. Мгновенное значение силы Fэм действующей на элемент диска с током iд, равно Fэм = kФiд = kФmsin(ωt)Iдmsin(ωt +ψ),где k — коэффициент пропорциональности; ψ — угол сдвига фаз между потоком Ф и током Iд. Среднее за период значение силы Fэм
(7.1)
Из векторной диаграммы видно, что углы между потоком Ф1 и током Iд1 и между потоком Ф2 и током Iд2 равны 90°, угол между потоком Ф1 и током Iд2 составляет (180° — j), а угол между потоком Ф2 и током Iд1 равен j. Учитывая это и исходя из (7.1), находим, что силы взаимодействия магнитных потоков Ф1 и Ф2 с токами Iд1 и Iд2 создают результирующий момент, вращающий диск:
Мвр = С1Ф1Iд2 cos(180°-φ) + С2Ф2Iд1 cos φ = = C 'Ф1Ф2 cos(180°-φ) + С 'Ф1Ф2 cos φ = CUI1cos φ = CP, (7.2)
где C', С1, С2 — коэффициенты пропорциональности; Р — активная моность,птребляемая нагрузкой.
Из (7.2) следует, что вращающий момент, действующий на диск счетчика, пропорционален мощности Р. Для создания противодействующего момента предусмотрен постоянный магнит 8 (рис.7.5а и б). При вращении диска поле постоянного магнита, индуктирует в нем вихревые токи, которые в соответствии с законом Ленца противодействуют вращению диска. Поскольку значение вихревых токов пропорционально частоте вращения диска п, противодействующий момент также пропорционален n: Мпр = Соn. Так как вращающий момент Мвр при установившейся частоте вращения диска уравновешивается противодействующим моментом Мпр, из формул (7.1) и (7.2) следует, что частота вращения диска пропорциональна мощности Р:
Число оборотов N, которое диск сделает за время t, будет пропорционально энергии W, полученной из сети нагрузкой за это же время:
![]()
Величина W/N=C0/C называется постоянной счетчика и представляет собой электрическую энергию, соответствующую одному обороту диска. Счетчик снабжается счетным механизмом, связанным червячной передачей с осью диска. Измеряемая счетчиком энергия отсчитывается по показаниям счетного механизма.
7.2.Погрешности измерений. Номинальные величины и постоянные приборов. Условные обозначения электроизмерительных приборов.
7.2.1. Погрешности измерений и электроизмерительных приборов.
Показания электроизмерительных приборов несколько отличаются от действительных значений измеряемых величин. Это вызвано непостоянством параметров измерительной цепи (изменение температуры, индуктивности и т. п.), несовершенством конструкции измерительного механизма (наличие трения и т. д.) и влиянием внешних факторов (внешние магнитные и электрические поля, изменение температуры окружающей среды и т. д.).
Разность между измеренным Аи и действительным Ад значениями контролируемой величины называется абсолютной погрешностью измерения: ΔА = Аи- Ад.
Если не учитывать значения измеряемой величины, то абсолютная погрешность не дает представления о степени точности измерения. Действительно, предположим, что абсолютная погрешность при измерении напряжения составляет ΔU = 1 В. Если указанная погрешность получена при измерении напряжения в 100 В, то измерение произведено с достаточной степенью точности. Если же погрешность ΔU = 1 В получена при измерении напряжения в 2 В, то степень точности недостаточна. Поэтому погрешность измерения принято оценивать не абсолютной, а относительной погрешностью.
Относительная погрешность измерения представляет собой отношение абсолютной погрешности к действительному значению измеряемой величины, выраженное в процентах:
(7.3)
Поскольку действительное значение измеряемой величины при измерении не известно, для определения ΔU и γ можно воспользоваться классом точности прибора, представляющим собой обобщенную характеристику средств измерений, определяемую предельными допустимыми погрешностями.
Амперметры, вольтметры и ваттметры подразделяются на восемь классов точности: 0,05; 0,1; 0,2; 0,5; 1,0; 1,5; 2,5; 4,0. Цифра, обозначающая класс точности, определяет наибольшую положительную или отрицательную основную приведенную погрешность, которую имеет данный прибор.
Под основной приведенной погрешностью прибора понимают абсолютную погрешность, выраженную в процентах по отношению к номинальной величине прибора:
(7.4)
Например, прибор класса точности 0,5 имеет γnp= ±0,5%. Погрешность γnp называется основной, так как она гарантирована в нормальных условиях, под которыми понимают температуру окружающей среды 20 °С, отсутствие внешних магнитных полей, соответствующее положение прибора и т. д. При других условиях возникают дополнительные погрешности. Погрешность γnp называется приведенной, потому что абсолютная погрешность независимо от значения измеряемой величины выражается в процентах по отношению к постоянной величине Аном.
Сравнивая (7.3) и (7.4), нетрудно получить
(7.5)
Из (7.5) следует, что относительная погрешность измерения зависит от действительного значения измеряемой величины и возрастает при ее уменьшении. Вследствие этого надо стараться по возможности не пользоваться при измерении начальной частью шкалы прибора. В случае необходимости измерения малых величин следует применять другие приборы.
Пример 7.1. Номинальное напряжение вольтметра Uном= 150 В, класс точности 1,5. С помощью вольтметра измерено напряжение U = 50 В. Определить абсолютную и относительную величину погрешности измерения, а также действительное значение напряжения.
Решение. Абсолютная погрешность измерения
![]()
Действительное значение напряжения может лежать в пределах
Uд = Uи - ΔU = (50 ± 2,25) В.
Относительная погрешность измерения
7.2.2. Номинальные величины приборов.
Наибольшие значения напряжений, токов и мощностей, которые могут быть измерены перечисленными приборами называются номинальными напряжениями Uном, токами Iном и мощностями Pном соответственно вольтметров, амперметров и ваттметров. Номинальная мощность ваттметра в отличие от его номинальных напряжения и тока указывается не всегда. Для ваттметра номинальное напряжение представляет собой наибольшее напряжение, на которое может быть включена обмотка напряжения; номинальным током является наибольший ток, на который рассчитана последовательная обмотка. Если номинальная мощность ваттметра не дана, то ее можно подсчитать по номинальному напряжению и току:
Pном= UномIном.
7.2.3. Постоянные приборов.
Постоянная (цена деления) прибора представляет собой значение измеряемой величины, вызывающее отклонение подвижной части прибора на одно деление шкалы. Постоянные вольтметра, амперметра и ваттметра могут быть определены следующим образом
CU = Uном / N, вольт на одно деление;
CI = Iном / N, ампер на одно деление;
CP = Uном Iном / N, ватт на одно деление;
где N — число делений шкалы соответственно вольтметра, амперметра и ваттметра.
Пример 7.2. Ваттметр имеет номинальное напряжение Uном= 150 В, номинальный ток: Iном = 5 А, число делений шкалы N = 150. Определить номинальную мощность и постоянную ваттметра, а также его показание, если при измерении мощности подвижная часть отклонилась на N = 60 делений.
Решение. Номинальная мощность ваттметра Pном = Uном Iном = 150 • 5 = 750 Вт . Постоянная ваттметра CP = Pном / N = 750/150 = 5 Вт/дел. Показание ваттметра при отклонении его подвижной части на N = 60 делений P = CP N = 5 • 60 = 300 Вт.
7.2.4. Чувствительность приборов.
Под чувствительностью приборов понимают число делений шкалы, приходящееся на единицу измеряемой величины. Чувствительность вольтметра, амперметра и ваттметра может быть определена следующим образом:
SU = N /Uном , делений на вольт;
SI = N /Iном , делений на ампер;
, делений на ватт.
Очевидно, что S = 1/С.
7.2.5. Условные обозначения электроизмерительных приборов.
На лицевой стороне электроизмерительных приборов изображен ряд условных обозначений, позволяющих правильно выбрать прибор и дающих некоторые указания по их эксплуатации. Согласно ГОСТ на лицевой стороне прибора должны быть изображены: а) условное обозначение единицы измерения или измеряемой величины либо начальные буквы наименования прибора (табл. 7.1); б) условное обозначение системы прибора (табл. 7.2); в) условные обозначения рода тока и числа фаз, класса точности прибора, испытательного напряжения изоляции, рабочего положения прибора, исполнения прибора в зависимости от условий эксплуатации, категории прибора по степени защищенности от внешних магнитных полей (табл. 7.3).



7.3. Измерение электрических величин.
7.3.1 Методы измерений.
На практике применяют различные методы измерения электрических величин. Условно их можно разделить на прямые, косвенные и совокупные. Кроме того, они делятся на методы непосредственной оценки и на методы сравнения.
Наибольшее распространение получил метод непосредственной оценки. При этом числовое значение измеряемой величины определяется непосредственно по показаниям прибора, например величину тока по показаниям амперметра, напряжения – по показаниям вольтметра, сопротивления – по показаниям омметра и т.д. Это прямые измерения. Если измеряемая величина определяется по данным измерения других электрических величин путем вычисления этой величины, то такое измерение называется косвенным. Например, определение сопротивления по показаниям амперметра и вольтметра.
Метод сравнения широко используется для точных измерений. Он заключается в сравнении измеряемой величины с образцовой мерой такой же физической природы. Метод сравнения осуществляется с помощью мостовых или компенсационных схем.
7.3.2 Измерение тока и напряжения.
Для измерения величины тока в какой-либо цепи последовательно в цепь включают амперметр. Для измерения значения напряжения на каком-либо участке электрической цепи на элементе цепи подсоединяется параллельно им вольтметр.
В установках постоянного тока применяются, как правило приборы магнитоэлектрической системы, в установках переменного тока используют преимущественно приборы электромагнитной системы. Между амперметром и вольтметром нет принципиальной разницы. Показания обоих приборов пропорциональны току, протекающему по рамке. Однако соответственно их назначению к ним предъявляют совершенно противоположные требования: амперметр должен иметь возможно меньшее сопротивление, а вольтметр возможно большее сопротивление. Для уменьшения погрешности измерения необходимо чтобы сопротивление амперметра было на два порядка меньше, а сопротивления вольтметра на два порядка больше сопротивления любого элемента измерения цепи.
Для расширения предела измерения амперметра ( в k раз) в цепях постоянного тока служат шунты-резисторы, включаемые параллельно амперметру (рис. 7.6,a).
Сопротивление шунта определяется из соотношения
rш (Imax – Iа,н) = rаIа,н ,
где Imax — наибольшее значение тока в контролируемой цепи (предел измерения тока амперметром при наличии шунта);
Iа,н — предельное (номинальное) значение тока прибора при отсутствии шунта.
Отсюда
![]()
Значение тока I в контролируемой цепи при существующей нагрузке определяется из соотношения
![]()
где Iа — показание амперметра.
Шкалу амперметра часто градуируют с учетом включенного шунта; тогда значение измеряемого тока I отсчитывается непосредственно по шкале прибора.
В цепях переменного тока для расширения пределов измерения амперметров используют трансформаторы тока.
Для расширения предела измерения вольтметра (в k раз) в цепях напряжением до 500 В обычно применяют добавочные резисторы, включаемые последовательно с обмоткой вольтметра (рис. 7.6, б). Сопротивление добавочного резистора rд определяют из соотношения
![]()
где Umax - наибольшее значение измеряемого напряжения (предел измерения напряжения вольтметром при наличии добавочного резистора); Uв,н — предельное (номинальное) значение напряжения прибора при отсутствии добавочного резистора. Отсюда
![]()
Значение фактически измеряемого напряжения U определяется из соотношения
![]()
, U = kUв,
где Uв — показание вольтметра. Шкалу вольтметра градуируют с учетом включенного добавочного резистора. В цепях переменного тока высокого напряжения для расширения пределов измерения вольтметров применяют трансформаторы напряжения.
7.4. Измерение мощности и энергии в цепях переменного тока
7.4.1. Измерение активной мощности в цепях однофазного тока.
Для измерения мощности Р служат ваттметры электродинамической системы; схема включения ваттметра изображена на рис. 7.7. Неподвижная обмотка 1—1 прибора называется токовой и включается в цепь последовательно. Подвижная обмотка 2—2 называется обмоткой напряжения и включается в цепь параллельно.
Ток I2 в обмотке напряжения 2—2 пропорционален напряжению U контролируемой цепи и совпадает с ним по фазе, а ток I1 равен току I нагрузки. Момент, действующий на подвижную обмотку, равен Mвр=CUIcosφ=CP, где С — коэффициент пропорциональности. Поскольку противодействующий момент Мпр пропорционален углу поворота а стрелки, отклонение стрелки пропорционально измеряемой активной мощности Р. Для правильного включения ваттметра один из выводов токовой обмотки и один из выводов обмотки напряжения отмечают звездочками (*). Эти выводы, называемые генераторными, необходимо включать со стороны источника питания. Следует отметить, что электродинамическими ваттметрами можно измерять также мощность в цепях постоянного тока.
7.4.2. Измерение активной и реактивной мощностей в цепях трехфазного тока.
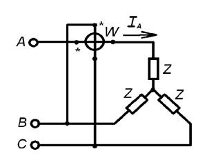
Для измерения мощности трехфазного приемника применяют различные схемы включения ваттметров. При симметричной нагрузке активную мощность Р можно измерить одним ваттметром, включенным по схемам рис. 7.8,а,б.
Общая мощность потребителя P = 3W, где W— показание ваттметра. При несимметричной нагрузке мощность трехфазного приемника можно измерить тремя ваттметрами (рис. 7.8,в). Общая мощность приемника в этом случае P = W1 + W2 + W3.
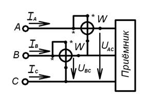
В трехпроводных системах трехфазного тока при симметричной и несимметричной нагрузках и любом способе соединения приемников широко распространена схема измерения мощности двумя ваттметрами (рис. 7.9 ).
На этой схеме токовые обмотки ваттметров включены в линейные провода А и В, а обмотки напряжения — на линейные напряжения UАС и UВС При симметричной нагрузке реактивную мощность Q трехфазной системы можно измерить одним ваттметром (рис. 7.10 ).
В этой схеме токовая обмотка включена в линейный провод А, а параллельная обмотка напряжения — на линейное напряжение UВС. Умножая показание ваттметра на 1.73, получаем значение реактивной мощности Q трехфазной сети при симметричной нагрузке.
7.4.3. Измерение электрической энергии в цепях переменного тока
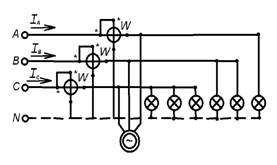
Для измерения энергии в цепях переменного тока применяются однофазные и трехфазные счетчики индукционной системы. Схемы включения однофазных счетчиков для измерения активной энергии Wа в однофазной в трехфазной цепях аналогичны схемам включения ваттметров, представленных на рис. 7.7, 7.8. В трехфазных цепях активную энергию Wа, измеряют трех- или четырехэлементными трехфазными счетчиками. Трехэлементные счетчики конструктивно представляют собой три измерительные системы однофазных счетчиков, имеющих общую ось. Трехэлементные счетчики (рис. 7.11, а) используют в четырехпроводных цепях трехфазного тока. Для измерения активной энергии в трехпроводниковых цепях применяют двухэлементные счетчики (рис. 7.11 б), объединяющие измерительные системы двух однофазных счетчиков.
Обмотки этих систем включают по рассмотренной ранее схеме двух ваттметров (см. рис. 7.9). Реактивную энергию Wр при симметричной нагрузке фаз трехпроводной сети можно измерить при помощи двух однофазных счетчиков, обмотки которых включены по схеме рис. 7.9, Значение Wp находят как разность показаний счетчиков, увеличенную в раз. Кроме того, применяют специальные трехфазные счетчики реактивной энергии, используемые как при симметричной, так и при несимметричной нагрузках фаз.
7.5. Электронно—лучевой осциллограф
Электронно-лучевой осциллограф используется для визуального наблюдения, измерения и регистрации формы и параметров электрических сигналов в диапазоне частот от постоянного тока до десятков мегагерц. Электронно-лучевые осциллографы обладают высокой чувствительностью и малой инерционностью, подразделяются на универсальные, запоминающие; специальные и др., могут быть одно-, двух- и многолучевыми. Функциональная схема электронно-лучевого осциллографа приведена на рис.7.12.
Основным узлом осциллографа является вакуумная электронно-лучевая трубка ЭЛТ, которая преобразует электрические сигналы в световое изображение. Катод 2, подогреваемый нитью накала 1, является источником свободных электронов, которые формируются в электронный луч и фокусируются первым анодом 4 на экране 8 ЭЛТ. Ускорение электронов луча осуществляется вторым анодом 5. При соударении электронов с экраном 8 их кинетическая энергия преобразуется в световое излучение посредством катодолюминофоров, т. е. веществ, светящихся под действием бомбардировки их электронами. Время послесвечения (после прекращения действия электронного луча) может составлять от 0,05 до 20 с и более. Изменяя отрицательный потенциал электрода 3 по отношению к катоду, можно воздействовать на значение тока электронного луча, а следовательно, и яркость свечения изображения на экране.
Управление лучом ЭЛТ осуществляется посредством трех каналов управления х, у,z, которые обеспечивают получение развернутого изображения исследуемого электрического сигнала в функции времени. Канал у осуществляет вертикальное отклонение луча по оси у системы координат и непосредственно связан с исследуемым сигналом. Канал х обеспечивает горизонтальное отклонение луча по оси времени х системы координат. Канал z управляет яркостью луча.
Для создания линейного масштаба по оси времени х необходимо равномерное перемещение электронного луча по горизонтали, что обеспечивается подачей на горизонтально отклоняющие пластины 7 ЭЛТ линейно нарастающего напряжения развертки (рис. 7.13, в). Если при этом отсутствует напряжение на вертикально отклоняющих пластинах б, на экране осциллографа появляется горизонтальная линия. При одновременной подаче исследуемого напряжения (рис. 7.1З,а) на пластины б и напряжения развертки на экране осциллографа появляется осциллограмма (рис.7.13,б), дающая полное представление о форме, амплитуде, частоте исследуемого напряжения.
В канале х частота генератора развертки недостаточно стабильна. Для получения устойчивого изображения на экране осциллографа необходимо выполнение равенства Tx=nTу, где Tx — период напряжения развертки, Ty — период исследуемого напряжения, п = 1, 2, З... Это равенство обеспечивается устройством синхронизации, которое «подстраивает» частоту генератора развертки под частоту исследуемого напряжения. Если «подстройка» производится исследуемым сигналом, то она называется «внутренней синхронизацией», если от какого-либо другого сигнала — «внешней синхронизацией». Усилитель в канале х обеспечивает линейно нарастающее напряжение заданного значения (до нескольких сотен вольт). Канал у выполняет по существу функции усилителя. Чтобы он не влиял на режим работы исследуемой электрической цепи, используют катодный повторитель, имеющий значительное входное сопротивление. Так как исследуемые напряжения изменяются в широком диапазоне, для обеспечения оптимального напряжения на выходе данного канала на его входе предусмотрен аттенюатор (делитель напряжения). Для исследования фронтов импульсов напряжений введено устройство — линия задержки. С целью определения масштаба осциллограмм по осям абсцисс и ординат в осциллографе предусмотрены калибраторы длительности и амплитуды. Значительный интерес представляют запоминающие осциллографы, предназначенные для регистрации однократных и редко повторяющихся сигналов. Их скорости записи — до 4000 км/с, при уровнях сигналов десятки милливольт — сотни вольт. Так, универсальный осциллограф С8-12 имеет время воспроизведения ранее записанных процессов 40 с, время сохранения записи 7ч.
7.6. Понятие об аналоговых и цифровых приборах
7.6.1. Аналоговые электронные вольтметры.
В радиоэлектронных цепях к вольтметрам, как и другим измерительным приборам, предъявляются повышенные требования, такие как ничтожно малое потребление мощности, частотный диапазон измеряемого напряжения от единиц герц до сотен мегагерц, и в то же время слабая зависимость показаний от частоты измеряемого напряжения, высокая чувствительность и т. д. Этим требованиям не соответствуют стрелочные вольтметры, которые осуществляют непосредственную оценку (прямой отсчет) измеряемого напряжения. Вышеперечисленным требованиям удовлетворяют аналоговые электронные вольтметры, использующие усилители измеряемых напряжений. С учетом назначения электронные вольтметры подразделяются на вольтметры: постоянного и переменного тока, импульсного напряжения, универсальные и др. Функциональная схема универсального аналогового электронного вольтметра представлена на рис. 7.14, данный вольтметр является универсальным, т. е. предназначен для измерений в цепях как постоянного, так и переменного тока.
Прибор состоит из двух входных устройств: преобразователя, усилителя постоянного тока и магнитоэлектрического измерителя. Входное устройство представляет собой высокоомный резистивный делитель напряжения служащий для изменения пределов измерения вольтметра. Преобразователь (детектор) — устройство, преобразующее переменное напряжение в постоянное, — используется при измерении цепях переменного тока.
7.6.2. Цифровые измерительные приборы.
Характерной чертой измерительных приборов со стрелочным указателем является некоторая субъективность в измерениях при определении положения стрелки на шкале прибора. Цифровые измерительные приборы (ЦИП) с цифровыми индикаторами лишены этого недостатка. Они широко применяются для измерения частоты, интервалов времени, напряжения и т.д. ЦИП преобразуют измеряемую величину в дискретные или квантовые значения, осуществляют цифровое кодирование и выдачу результатов измерений в цифровом виде. К преимуществам ЦИП можно отнести: достаточно широкий диапазон измеряемых величин с высокой точностью измерений, возможность представления результатов измерения в цифровом виде, запись их цифропечатающим устройством, а также ввод в ЦВМ с последующей обработкой получаемой информации и дальнейшим ее использованием. Рассмотрим работу ЦИП на примере электронного цифрового вольтметра с время-импульсным преобразованием, при котором измеряемое напряжение Ux, вначале преобразуется во временной интервал, а затем в цифровой вид. Функциональная схема данного вольтметра представлена на рис. 7.15.
(рис. 7.15)Основными узлами цифрового вольтметра, которые осуществляют связь измеряемого напряжения с временным интервалом, являются: два сравнивающих устройства, генератор линейно нарастающего напряжения ГЛИН и триггер. До подачи на входное устройство измеряемого постоянного напряжения Ux устройство управления обеспечивает сброс прежних показаний счетчика, запускает ГЛИН, а также устанавливает триггер в положение «О». Напряжение Ux подается на входное устройство (делитель напряжения), затем усиливается усилителем постоянного тока и подается на вход 2 сравнивающего устройства 11. Вход 2 сравнивающего устройства I заземлен. На входы 1 сравнивающих устройств I и II подается линейно нарастающее напряжение uн (рис. 7.16). При равенстве входных напряжений сравнивающие устройства на. своих выходах вырабатывают короткий импульс. Таким образом, первый импульс возникает от сравнивающего устройства (uн = 0), второй импульс — от сравнивающего устройства 11 при uн = Ux При этом первый импульс посредством триггера обеспечивает начало работы ключа и на счетчик поступают импульсы с генератора счетных импульсов с периодом времени ТN . При подаче на триггер второго импульса ключ закрывается, а следовательно, прекращается счет импульсов. Таким образом, осуществлено как сравнение измеряемого напряжения Ux, с линейно нарастающим напряжением uн, так и преобразование его во временной интервал Тх
Показания устройства цифрового отсчета определяются следующим образом: Ux = tgβTNN , где TN — период импульсов генератора счетных импульсов; N — число импульсов. При выверке нуля прибора необходимо заземлить вход усилителя постоянного тока, а при градуировке его вход подключается к калибратору, т. е. источнику калиброванного напряжения. Если появляется необходимость измерения переменного напряжения, последнее после делителя подается на преобразователь, где преобразуется в постоянное, после чего подается на вход усилителя постоянного тока. Цифровые вольтметры обеспечивают высокую скорость преобразования (до тысячи измерений в секунду), а также малую погрешность измерения (0,01—0,001%) в диапазоне измеряемых напряжений от 0,1 мкВ до 1000 В. Другими ЦИП являются: цифровой амперметр, цифровой амперметр, цифровой омметр, цифровой осциллограф. Цифровой амперметр — измеритель силы тока с цифровой индикацией. В цифровых амперметрах используется косвенный метод измерения тока, заключающийся в измерении падения напряжения на образцовом резисторе с известным значением сопротивления посредством цифрового вольтметра. Цифровой амперметр является составной частью цифровых мультиметров, комбинированных измерительных приборов. Основой цифрового мультиметра является цифровой вольтметр, который дополняется специальным переключающим устройством для измерения различных величин. При этом применяются электрические схемы цифровых амперметров и омметров. Цифровой омметр—прибор для измерения сопротивления с цифровой индикацией. Известны два способа измерений. Во-первых, мост измерительный Уитсона обеспечивает автоматическое уравновешивание. Для этого соединенные в соответствии с кодом сопротивления подключаются по команде устройства управления к мосту по очереди, пока не обеспечивается равновесие схемы. Второй способ заключается в пропускании через измеряемое сопротивление известного тока. Падение напряжения измеряется при помощи АЦП по способу компенсации и индицируется в цифровой форме в единицах сопротивления. Цифровой омметр является в частности, составной частью цифрового мультиметра. Цифровой осциллограф—осциллограф с цифровой регистрацией измеряемого сигнала запоминанием и обработкой. Аналоговый измерительный сигнал при помощи АЦП преобразуется в цифровою форму. В этом виде он может быть записан в запоминающее устройство. Цифровой осциллограф имеет микровычислитель, который может быть использован для точного расчета параметров измеряемых сигналов (например, значений переменного тока и и параметров импульсов) и/или программного управления измерительным процессом. Конструкция, как правило, отвечает требованиям агрегатирования благодаря чему этот прибор находит применение в измерительных системах. Через соответствующий интерфейс он может быть соединен с внешней ЭВМ в соответствии с концепцией объединения различных однотипных сменных блоков. Осциллографы, обеспечивающие вывод на экран информации и в буквенно-цифровой форме помимо обычного изображения сигнала, также называют цифровыми. За последнее время интегральная электроника получила значительное развитие, что в свою очередь расширило сферу ее применения в измерительной аппаратуре.












